

應用范圍:空調(diào)、智能潔具、監(jiān)控器、茶壺機、加濕器、新風系統(tǒng)等
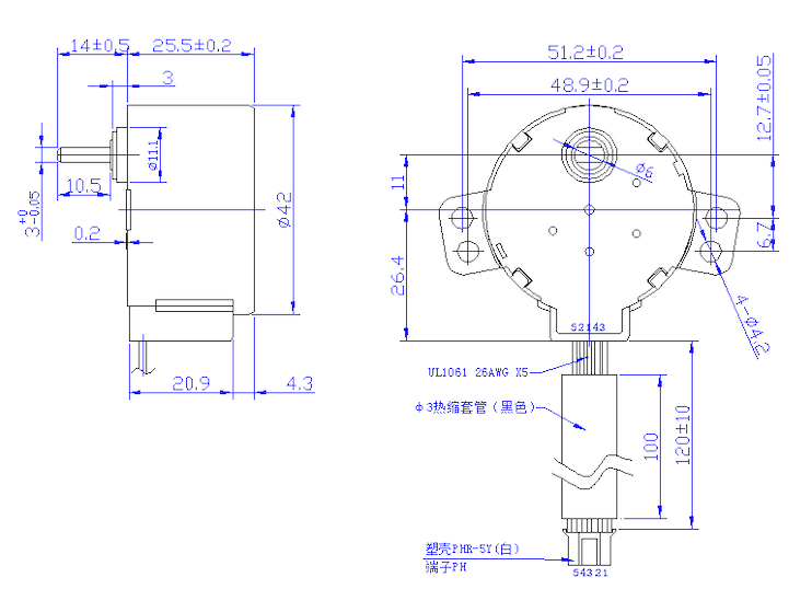
外觀安裝尺寸圖 SCHEMATIC CIRCUIT
電機主要性能表 SPECIFICATION
上一個:雙向可控同步電機35TYJ
下一個:50BYJ



